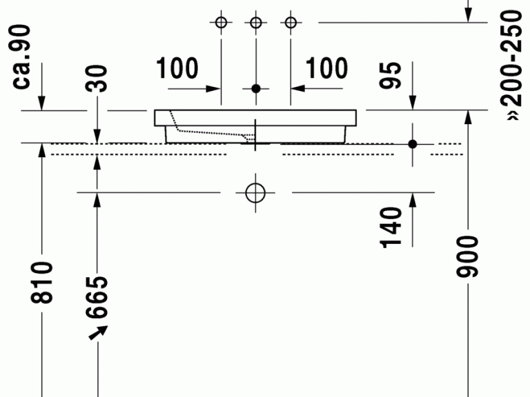
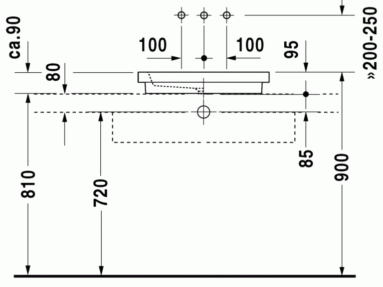
geschliffen, ohne Überlauf, ohne Hahnlochbank
Größe:580 x 415 mm
Varianten: ohne Hahnloch
© Schmoock Design