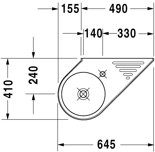
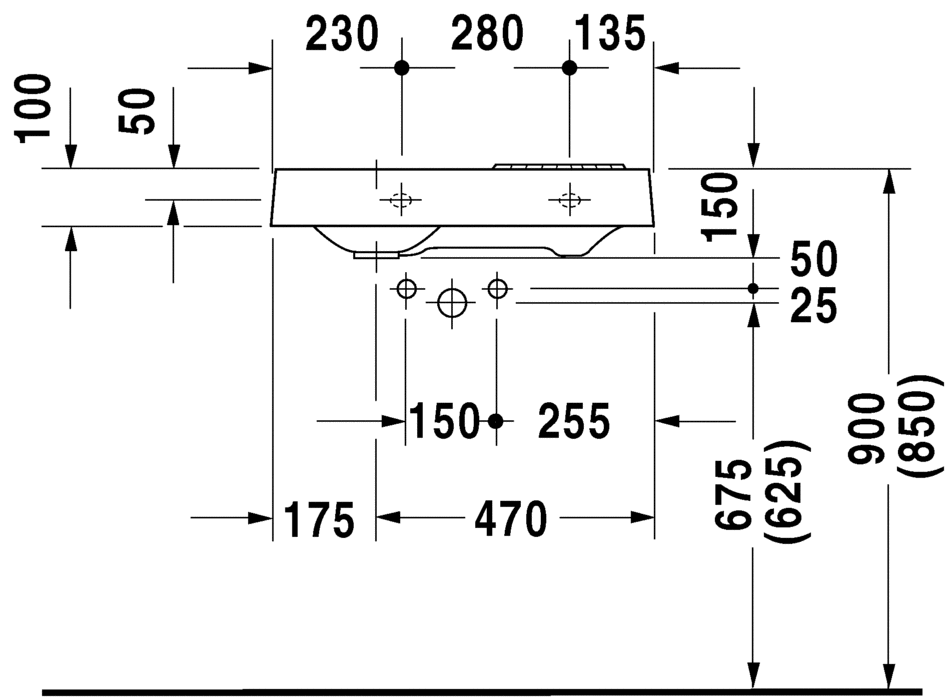
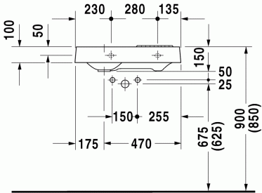
diagonales Modell, ohne Überlauf, mit Hahnlochbank, mit integrierter Keramikablage, Unterseite glasiert, Becken links
Größe:645 x 410 mm
Varianten: 1 Hahnloch durchgestochen
© Schmoock Design