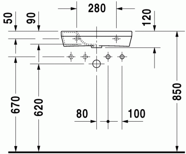
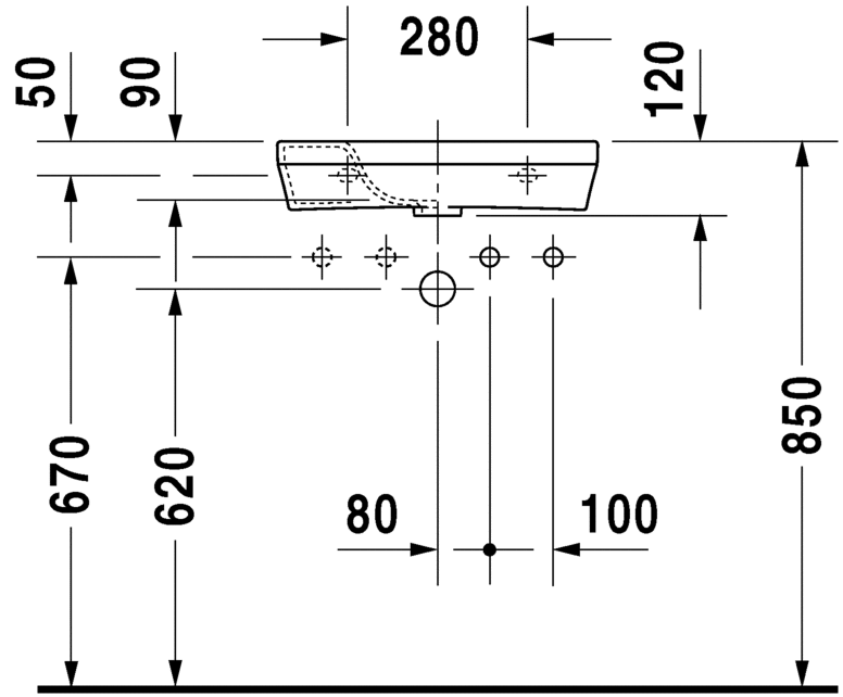
ohne Überlauf, mit Hahnlochbank, Unterseite glasiert
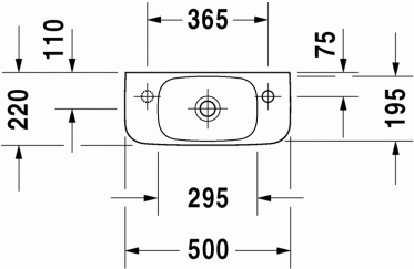
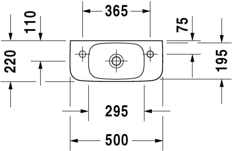
Größe:500 x 220 mm
Varianten:ohne HahnlochHahnloch rechts 1 Hahnloch durchgestochenHahnloch links 1 Hahnloch durchgestochen
© Schmoock Design