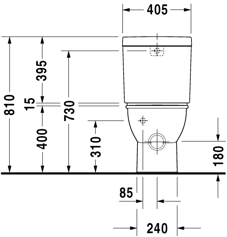
Darling New Kombination

für aufgesetzten Spülkasten (ohne Spülkasten), Tiefspüler, Befestigung inklusive, EWL Klasse 1

Größe:
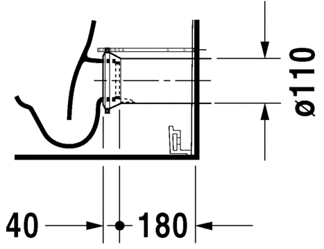
370 x 630 mm

Varianten:
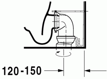
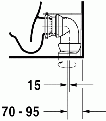
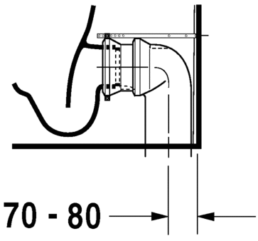
4,5 L, Abgang für Vario-Anschluss-Set, Abgang waagrecht und senkrecht von 70 - 150 mm, Länge verstellbar, sowie Vario-Ablaufbogen, Abgang senkrecht von 160 - 190 mm

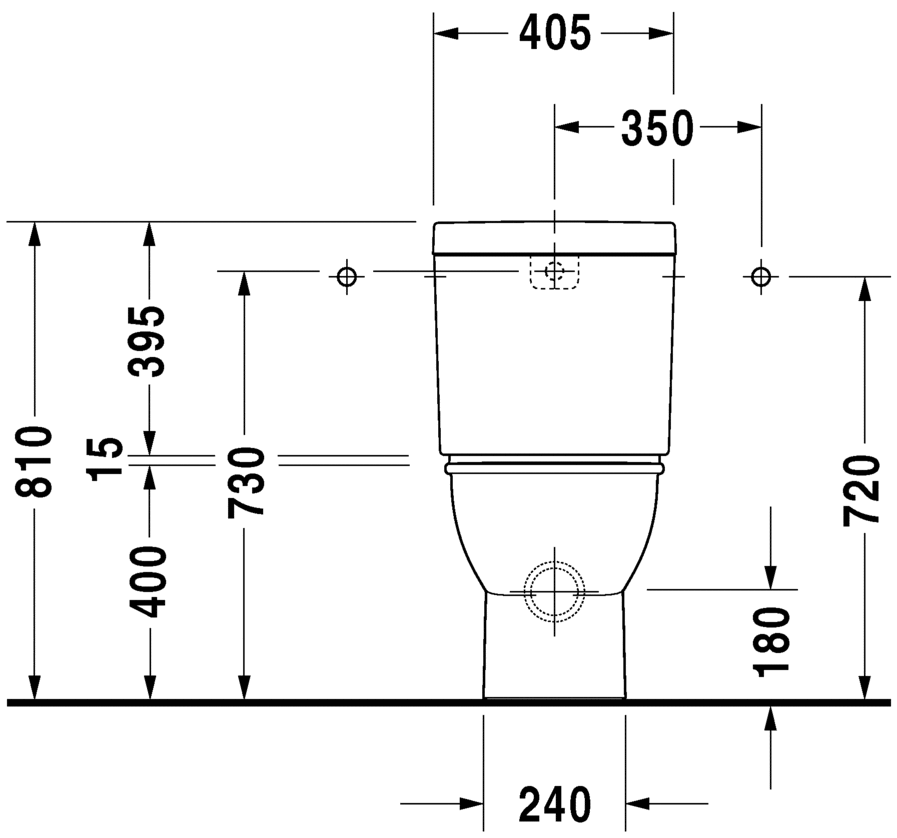
Anschlußsituationen