Starck 2 SensoWash®

Tiefspüler, nur in Verbindung mit SensoWash, inklusive Anschlusskomponenten für SensoWash mit verdeckten Anschlüssen, Durafix inklusive, EWL Klasse 1

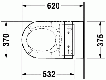
Größe:
375 x 620 mm

Varianten:
4,5 l