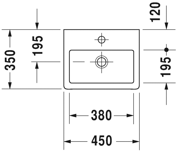
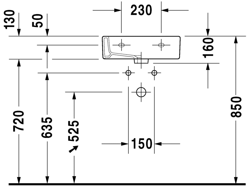
ohne Überlauf, mit Hahnlochbank, Unterseite glasiert
Größe:450 x 350 mm
Varianten:1 Hahnloch durchgestochen
© Schmoock Design